Maite filter
油霧分離器
免費定製方案 免費到廠考察 免費獲取報價!
產品說明:MFF高效油霧分離器核心采用“聚結分離”技術去除油煙中的油霧。該裝置集油霧過濾和高效分離兩大功能於一體,可有效去除煙氣中的顆粒雜質、霧化油煙和水蒸氣。功能分為:離心粗分離、運動衝擊二級分離和高效聚結分離三級分離多重過濾技術。本裝置專為潤滑係...
美女黄站過濾設備攜手各行業打造滿足日本美女搞基网站需求產品的保障
MFF高效油霧分離器核心采用“聚結分離”技術去除油煙中的油霧。該裝置集油霧過濾和高效分離兩大功能於一體,可有效去除煙氣中的顆粒雜質、霧化油煙和水蒸氣。功能分為:離心粗分離、運動衝擊二級分離和高效聚結分離三級分離多重過濾技術。本裝置專為潤滑係統研製,不僅能有效去除油箱內的油霧和水蒸氣,避免對環境造成二次汙染,而且顯著降低潤滑油的消耗量,又能保證在風機意外停止時油箱內壓力保持為0。
二、原 理
高效聚結分離濾芯采用多種不同材質、不同特性的進口材料組合而成。目前,美女黄站使用的聚結分離材料均為國外知名企業產品如蘭德、HV、南玻院等,可以保證使用效果。不同的材料具有不同的過濾間隙、表麵張力特性、親脂/親水、疏油/疏水極性。通過不同物料的組合使用,達到過濾、聚結和分離三種目的,從而保證的分離效果。
1、篩選:
油霧中除了油煙外,還含有各種固體顆粒。固體顆粒的存在會影響聚結和分離的效果,大大降低濾芯的使用壽命。美女黄站聚結分離濾芯在聚結分離層前設計高效深度過濾,煙氣深度過濾後可通過聚結分離濾芯,大大提高了濾芯的使用壽命。
2、聚結:
根據介質的表麵張力聚結。聚結層為多層纏繞結構,由3-4種材料組成。通過特殊設計的氣道結構,實現了煙氣從小油氣到大油滴的結構變化。Matte聚結分離濾芯結合頗爾核心技術,處理量大,聚結能力強。可長期在油霧飽和的惡劣環境中使用。具有燒結法、氈化法等傳統方法無法比擬的優點
3、分離:
通過聚結濾芯的煙氣將進入濾芯的分離層。大油滴在氣體的驅動下向前運動,由於親油/疏油極性而與分離層發生碰撞。由於重力作用,大油滴沉降到容器底部。
4、釋放:
油煙風機分離出來的油非常幹淨,可以直接回用,設備有回油管路可以將油液直接回流到油箱當中。專門預留排油管路,管路穿入液位以下。
設備原理圖:
三、工作流程及安裝

工作流程:正常分離管路、調壓管路、意外停機溢流管路
型號 | MFF180 | MFF210 | MFF350 | MFF420 | MF500 | MFF700 | MFF900 |
油箱高度mm | >1200 | >1200 | >1300 | >1300 | >1500 | >2000 | >2000 |
高位警戒線mm | <1000 | <1000 | <1000 | <1000 | <1200 | <1700 | <1700 |
油界上限mm | <850 | <850 | <850 | <850 | <1000 | <1200 | <1200 |
油界下限mm | 400 | 400 | 400 | 400 | 500 | 500 | 500 |
地位警戒線mm | 300 | 300 | 300 | 300 | 350 | 350 | 350 |
以上數值為理論參考尺寸,實際安裝時根據油箱流量、容積、長寬高尺寸確定具體安裝高度!
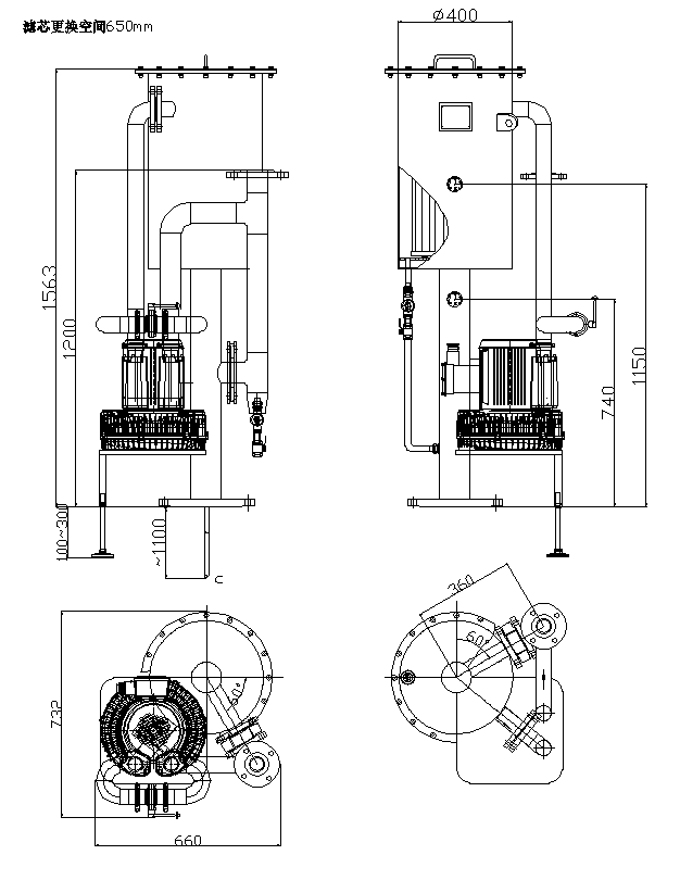
四、外形簡圖(以MFF420-2.2為例)

注意:分離器進出口可根據日本美女搞基网站提供接口製作!
安裝時應留足上部更換濾芯的空間!
具體所需空間尺寸,可谘詢美女黄站工程師。
五、選型技術參數
序列號 | 型號 | 電機功率 | 確保油箱負壓 |
1 | MFF180-0.75-150/80-CS | 0.75KW | -0.5Kpa |
2 | MFF210-1.1-150/80-CS | 1.1KW | -0.5Kpa |
3 | MFF350-1.5-200/80-CS | 1.5KW | -0.5Kpa |
4 | MFF420-2.2-200/80-CS | 2.2KW | -0.5Kpa |
5 | MFF500-4.0-200/80-CS | 4.0KW | -0.5Kpa |
6 | MFF700-5.5-300/100-CS | 5.5KW | -0.5Kpa |
7 | MFF900-7.5-300/100-CS | 7.5KW | -0.5Kpa |
注: 200/80表示油霧分離器進出口法蘭尺寸。具體法蘭尺寸、標準等按用戶要求製作。
六、選型參考技術條件:
工作介質:含油空氣
工作條件:安裝在油站頂部,室內或室外均可運行
工作轉速:2900rpm
係統入口壓力:-0.2~-0.5Kpa;允許負壓:10Kpa;
電源條件:380V 50Hz 3ph
用於高效聚集分離方式去除油霧。油霧去除效率≥99.98%,油煙中的油粒被去除。
油煙機的上筒體和下進風口裝有壓力表。
排油煙風機的進、出口設有旁通管路,旁通管路與手動截止閥相連,以調節風機的送風量。
確保風扇停止時分離器入口壓力為零。
MFF型高效油霧分離器選型說明:
1、油站流量在300L/min以下,電機功率為1.1KW
2、油站流量在300~600L/min之間,電機功率為1.5KW
3、油站流量600~1200L/min之間電機功率為2.2KW
4、油站流量1200~1800L/min之間電機功率為4.0KW
5、油站流量1800~2400L/min之間電機功率為5.5KW
6、油站流量2400~3000L/min以上電機功率為7.5KW
以上就是常用油霧分離器的選型。特別是大流量油係統(如:大於3000L/min),請谘詢本公司技術人員;或者帶密封隔離氣的齒輪箱分離器和壓縮機,請放大型號使用,
風量-功率選擇
型號 | 流量 | 代號 | 功率 |
180 | 45m³/h | 0.75 | 0.75KW |
210 | 120m³/h | 1.1 | 1.1KW |
350 | 145m³/h | 1.5 | 1.5KW |
420 | 200m³/h | 2.2 | 2.2KW |
500 | 260m³/h | 4 | 4.0KW |
700 | 400m³/h | 5.5 | 5.5KW |
900 | 600m³/h | 7.5 | 7.5KW |
進出口尺寸選擇
代碼 | 尺碼說明 |
200/80 | 入口尺寸DN200 |
出口尺寸DN80 | |
具體進出口尺寸及標準由用戶選擇 | |
原材料選擇
型號 | 材質 |
CS | 碳鋼 |
SS | 304材質 |
特殊材料,根據日本美女搞基网站要求定做(316L) | |
例如:MFF180-0.75-150/80-SS
180-風量(m³/min) 1.5-匹配電機功率
150/80-油霧風機進出口接口尺寸
SS-不鏽鋼(CS碳鋼)
特殊要求(如不鏽鋼SS316L、材質禁用銅等)請在技術協議中注明。
七、過濾元件
一旦油霧分離器濾芯的微纖維幾乎完全被雜質和潤滑油顆粒浸透,就需要更換濾芯。過濾係統的真空壓力表指示何時更換濾芯。濾芯更換方便快捷。隻需要幾分鍾後,您的油霧分離器就可以再次使用,並確保恒定的真空度和始終如一的潤滑油質量。
美女黄站過濾設備攜手各行業打造滿足日本美女搞基网站需求產品的保障
| 名稱: | 油霧分離器 | 型號: | MFF- |
| 油站流量: | 100~2400L | 功率: | 0.75~7.5kw |
美女黄站過濾設備攜手各行業打造滿足日本美女搞基网站需求產品的保障